产品展示 > LED驱动 > 168体育登陆入口(SITI) > LED单/双/全彩色显示屏 LED护栏灯管 > DM115
DM115
DM115
8 位 LED 恒流驱动芯片
工作电压 3.3v ~ 5v
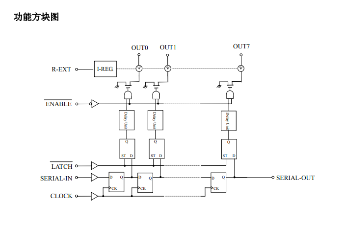
芯片概述
DM115 是专为 LED 显示应用所设计的恒流驱动芯片。8 个输出通道的电流可由一外 挂电阻调整。内建 8 比特移位缓存器,数据锁存器,以及恒流电路组件于硅 CMOS 芯片上。
芯片特色
最大输出承受电压:17V
最大时钟频率:25MHz (级联操作)
芯片工作电压:3.3V~ 5.0V z CMOS 兼容输入
封装形式:PDIP16, SOP16, SSOP16
封装及管脚定义与通用 16 脚 LED 恒流驱动器 ST2221A 完全兼容(每个特征值不同)
恒流性: (Ta = 25°C、VDD = 5.0V) 芯片间输出电流最大差异值:Chip-to-Chip: ± 10.0%
Bit-to-Bit: ± 4.0% @ IOUT = 20 ~ 60mA ± 6.0%
@ IOUT = 5 ~ 20mA





