SD7880
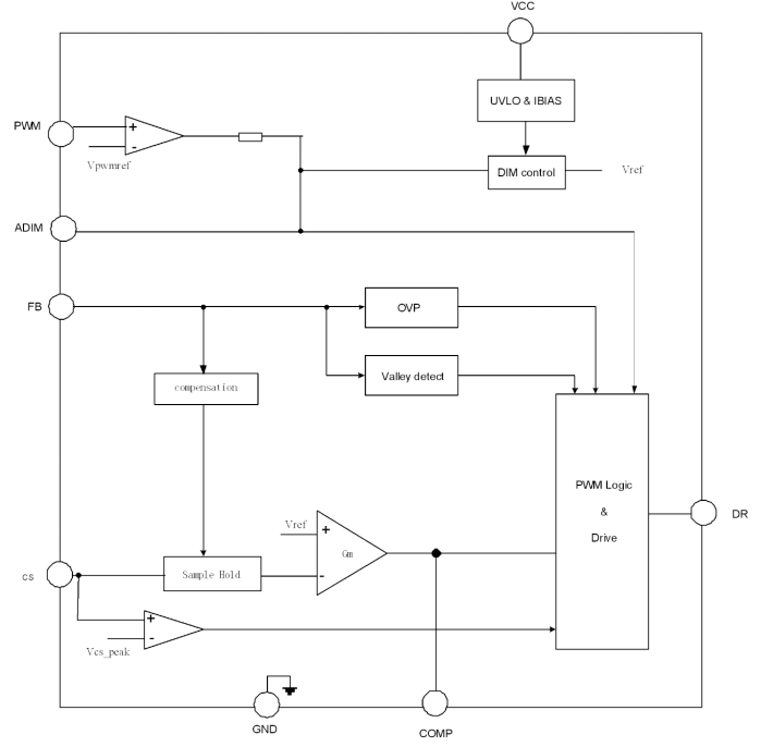
SD7880是一款具有调光功能的单级原边控制高功率因数LED驱动电路,该电路兼容PWM和线性调光功能,且调光深度可达5%,它主要应用于隔离反激式LED智能照明系统。
SD7880能够提供精确的恒流控制,工作在临界导通模式,具有非常高的效率。它采用原边控制模式,可以省去光耦、次级反馈控制以及环路补偿,简化设计,降低成本。
SD7880带有完整的保护功能,例如LED短路保护,LED开路保护,过温保护,等等
主要特点
5%-100%的调光范围
原边控制反激系统
临界导通模式
低启动电流
前沿消隐
VCC过压保护
VCC欠压锁定
过温保护
LED短路保护和LED开路保护




