产品展示 > LED驱动 > 士兰微电子(SL) > MOS管 > SVF14N65AT
SVF14N65AT
SVFP7N65CD(MJ)
SVFQ7N80S
SVF14N65AT
SVF12N65AT
SVF28N50PN
SVF13N50CF(T)
SVF12N65CFJH
SVF18N65EFJH
SVF20N60F
SVF20N65F
SVF4N80AMJ
SVF1N50B
SVF1N60AM(MJ)(B)(D)(F)
SVF1N65MJ
SVF2N60EF(M)
SVF2N60RD(M)(MJ)
SVF2N80F(D)(NF)(M)
SVF3N50CD(MJ)
SVF3N60AF
SVSP60R080F(T)D3
SGT30T60SD3P7
SVSP35NF65P7D3
SVS5N105FD2
SGT30T60SD3P7
SVS11N65FJHE2
SVS11NF60DD2
SVSP60R080F(T)D3
SVSP11N70FJDD2
SVSP7N65FJDE2
SVS65R400D(FJH)(FJD)(L8A)E3
STSP60R028P7S1
STSP60R030P7HS1
STSP60R070P7S1
SVF14N65AT
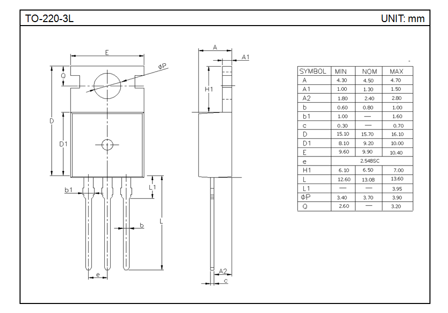
平面高压MOS
SVF14N65AT N沟道增强型高压功率MOS场效应晶体管采用士兰微电子的F-CellTM平面高压VDMOS 工艺技术制造。先进的工艺及原胞结构使得该产品具有较低的导通电阻、优越的开关性能及很高的雪崩击穿耐量。
该产品可广泛应用于AC-DC开关电源,DC-DC电源转换器,高压H桥PWM马达驱动。
主要特点
14A,650V,RDS(on)(典型值)=0.64W@VGS=10V
低栅极电荷量
低反向传输电容
开关速度快
提升了dv/dt能力




