产品展示 > LED驱动 > 168体育登陆入口(SITI) > LED全彩显示屏 LED装饰照明应用 > DM631
DM631
16-CHANNEL CONSTANT CURRENT LED DRIVER
WITH PROGRAMMABLE PWM OUTPUTS
General Description
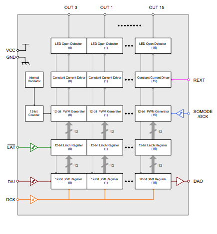
DM631 is a 16-channel constant current sink LED driver. Each channel has adjustable 12-bits (4096 steps) grayscale PWM control current outputs. It incorporates shift registers, data latches, constant current circuitry with current value set by an external resistor, selectable oscillator source for PWM function, and built-in LED open detection circuit to detect error status. It is specifically designed for LED display or lighting applications.
Features
Constant-current outputs: 5mA to 90mA adjustable by one external resistor
12-bit PWM control current outputs for each channel
Maximum output voltage: 17V
Maximum clock frequency: 25MHz
Selectable internal/external PWM reference clock
PWM free-running capability (refresh rate (~4.4KHz) with internal oscillator (~ 18 MHz))
Build-in real-time LED open detection
Package and pin assignment (except QFN32) compatible to pure LED drivers series (ST2221C, DM134/5/6, DM13C)
Power supply voltage: 3.3V to 5.5V
Package Types
SOP24, SOP24B, SSOP24, TSSOP24E (with exposed pad), QFN32 (with exposed pad)





