产品展示 > LED驱动 > 168体育登陆入口(SITI) > LED全彩显示屏 LED装饰照明应用 > DM631B
DM631B
16-CHANNEL CONSTANT CURRENT LED DRIVER WITH 12-bit PROGRAMMABLE PWM OUTPUTS
General Description
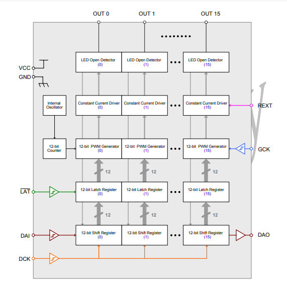
DM631B is a 16-channel constant current sink LED driver. Each channel has independent 12-bits (4096 steps) grayscale PWM control current outputs. It incorporates shift registers, data latches, constant current circuitry with current value set by an external resistor, and built-in LED open detection circuit to detect error status. It combines the selections with rising / falling edge serial out, auto-reload/one-shot PWM output, internal/external grayscale clock source. It is specifically designed for LED display or lighting applications.
Features
l Constant-current outputs: 5mA to 60mA adjustable by one external resistor
l bit linear PWM control current outputs for each channel z Maximum output voltage: 17V
l Maximum clock frequency: 25MHz
l Auto-Reload / One-Shot Mode selection.
l Serial out clock edge selection – Rising / Falling edge selection
l Internal / External PWM clock mode selection
l Built-in real-time open detection
l Package and pin assignment compatible to conventional LED drivers (DM134/5/6, DM13C) Power supply voltage: 3.3V to 5V
l Schmitt Trigger input
l Output channel delay





