产品展示 > LED驱动 > 168体育登陆入口(SITI) > LED全彩显示屏 LED装饰照明应用 > DM633
DM633
16-CHANNEL CONSTANT CURRENT LED DRIVER
WITH PROGRAMMABLE PWM OUTPUTS
General Description
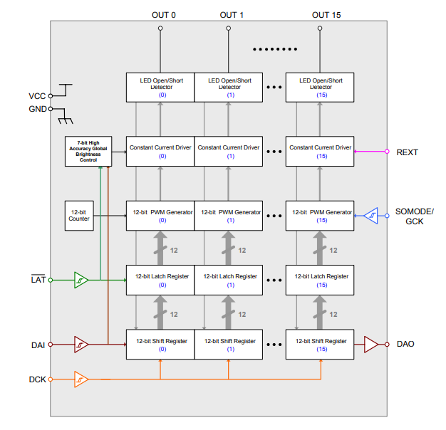
DM633 is a 16-channel constant current sink LED driver. Each channel has adjustable 12-bits (4096 steps) grayscale PWM control current outputs. 7-bit global brightness control is included in supporting user to adjust chip current easily. It incorporates shift registers, data latches, constant current circuitry with current value set by an external resistor, selectable oscillator source for PWM functioning, and built-in LED open/short detection circuit to detect error status. It supports thermal alarm and shutdown function, system retrieve the message to indicate when junction temperature over limitation of chip. It is specifically designed for LED display and lighting applications.
Features
Constant-current outputs: 5mA to 90mA
12-bit PWM control current output per channel
7-bit high accuracy global brightness control
Maximum output voltage: 17V
Maximum clock frequency: 25MHz
Selectable internal/external PWM reference clock
PWM free-running capability (refresh rate ~ 4.4k Hz with internal oscillator ~ 18 MHz)
Build-in real-time LED open/short detection
Thermal Alarm and Shotdown –
Alarm : Junction Temperature >110℃
Shutdown : Junction Temperature > 180℃
Package and pin assignment (except QFN32 ) compatible to conventional LED driver
series (ST2221C, DM134/5/6, DM13C)
Power supply voltage: 3.3V to 5.5 V





