OB3639A
OB3639A
OB3639ACP
GENERAL DESCRIPTION
OB3639A is an offline LED lighting controller with high power factor, low THD and high constant current (CC) precision. It can achieve low system cost for an isolated lighting application by primary side control in a single stage converter. It significantly simplifies the LED lighting system design by eliminating the secondary side feedback components and the opto-coupler.
The proprietary CC control is used and the system can achieve high power factor with constant on-time control. Quasi-resonant (QR) operation and clamping frequency greatly improve the system efficiency. The advanced start-up technology is used to meet the start-up time requirement (<0.5s). The constant output current is compensated for tolerance of transformer inductance variation. And the line compensation and load compensation are built in OB3639A for high precisely constant output current control.
OB3639A offers protection coverage with auto-recovery features including programmable VIN foldback, programmable VIN OVP, programmable thermal foldback, LED open loop protection, LED short circuit protection, cycle-by-cycle current limiting, built-in leading edge blanking, VDD under voltage lockout (UVLO), etc.
OB3639A is offered in SOP-8 package.
FEATURES
n High PF (>0.9)
n Low THD (<10%)
n Programmable VIN foldback
n Programmable VIN OVP
n Programmable thermal foldback
n High precision constant current
n Fast start-up (<0.5s)
n Low system cost and high efficiency
n Quasi-resonant operation
n Programmable CC regulation
n Built-in line/load compensation
n LED short circuit protection
n LED open loop protection
n Cycle-by-cycle current limiting
n VDD over voltage protection
n Up to 80W application
APPLICATIONS
n LED lighting
TYPICAL APPLICATION
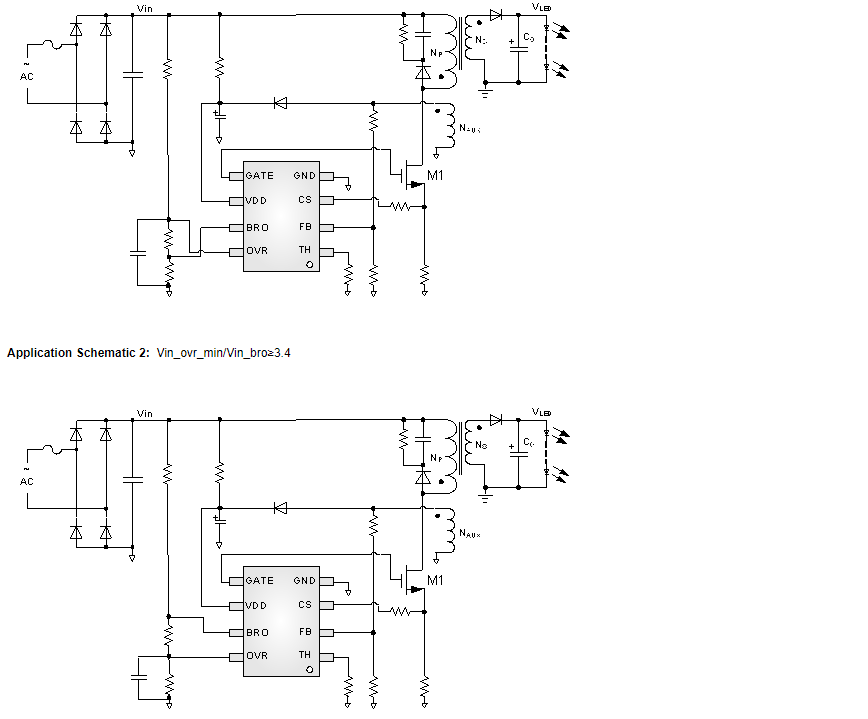
Application Schematic 1: Vin_ovr_min/Vin_bro≤3.4




