OB3635Ex
OB3635Ex
GENERAL DESCRIPTION
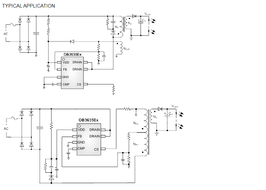
OB3635Ex is an offline LED lighting controller with high power factor, low THD and high constant current (CC) precision. It can achieve low system cost for an isolated lighting application by primary side control in a single stage converter. It significantly simplifies the LED lighting system design by eliminating
auxiliary winding.
The proprietary CC control scheme is used and the system can achieve high power factor with constant on-time control scheme. Quasi-resonant (QR) operation and clamping frequency greatly improves the system efficiency. The advanced start-up technology is used to meet the start-up time requirement (<0.5s). The constant output current is compensated for tolerance of transformer inductance variation. And the line compensation and load compensation are built in OB3635Ex for high precisely constant output current control.
OB3635Ex offers comprehensive protection coverage with auto-recovery features including LED open loop protection, LED short circuit protection, cycle-by-cycle current limiting, built-in leading edge blanking, VDD under voltage lockout (UVLO), etc.
OB3635Ex is offered in SOP8 and DIP8 package.
FEATURES
n High PF (>0.95)
n Low THD (<10%)
n High precision constant current regulation at universal AC input
n Fast start-up (<0.5s)
n Primary-side sensing and regulation without auxiliary winding
n Low system cost and high efficiency
n Quasi-resonant operation
n Programmable CC regulation
n Built-in primary winding inductance compensation
n Built-in line compensation
n Built-in load compensation
n LED short circuit protection
n LED open loop protection
n Cycle-by-cycle current limiting
n Built-in leading edge blanking (LEB)
n VDD under voltage lockout with hysteresis
n Over temperature protection (OTP)
n Thermal fold-back control
APPLICATIONS
n LED lighting




