产品展示 > LED驱动 > 士兰微电子(SL) > 通用LED照明驱动电路 > SDH771XL
SDH771XL
SDH771XL
非隔离降压型LED恒流驱动芯片
SDH771XL是一款高精度LED恒流驱动控制芯片,适用于85VAC~265VAC全范围交流输入电压的非隔离降压型LED恒流电源系统。
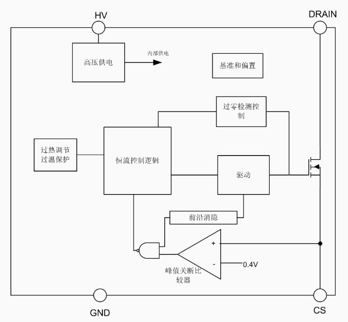
SDH771XL内置高压供电电路,无需启动电阻和辅助绕组即能实现芯片的自主供电,同时更省去了传统的外置电源电容,在加快系统启动的同时又极大地节省了系统成本。电路工作在电感电流临界导通模式,采用特有的高精度电流采样技术,结合内部补偿,能获得高恒流精度和优异的线性/负载调整率。
SDH771XL内部集成多种保护功能,包括输出短路保护、逐周期过流保护、过热调节、采样电阻开路保护等,增强了系统的安全性和可靠性。
主要特点
合封500V高压功率MOSFET,性能稳定
集成高压供电,无启动电阻、无VCC电容
精确恒定电流(<±3%)供给LED
输出短路保护
过热调节功能
过温保护功能
逐周期过电流保护
无辅助绕组






